應答頻率為1KHz的高速響應。
電源電壓為5~24V的廣范圍。
顯示燈明顯,容易進行動作確認。
超小尺寸,大幅提高空間利用率。
自動化工藝生產,超高一致性。
簡潔牢固,最求極致可靠性。
可替換歐姆龍EE-SX-67系列槽型光電傳感器。
大深U8系列替換歐姆龍EE-SX-67系列,松下PM45系列
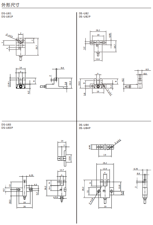
槽型光電傳感器DS-U81可替代OmRonEE-SX-674-WR、PM-Y45,槽寬5mm
槽型光電傳感器DS-U82可替代OmRonEE-SX-671-WR、PM-L45,槽寬5mm
槽型光電傳感器DS-U83可替代OmRonEE-SX-672-WR、PM-T45,槽寬5mm
槽型光電傳感器DS-U84可替代OmRonEE-SX-670-WR、PM-K45,槽寬5mm
槽型光電傳感器DS-U85可替代OmRonEE-SX-673-WR,槽寬5mm
槽型光電傳感器DS-U86可替代OmRonEE-SX-675-WR,槽寬5mm
槽型光電傳感器DS-U87可替代OmRonEE-SX-676-WR、PM-F45,槽寬5mm
槽型光電傳感器DS-U88可替代OmRonEE-SX-677-WR、PM-R45,槽寬5mm








